












以上部分有现货库存能下单就能发货,下单前最好跟客服确认一边是否有库存。
无库存交期问题请联系客服咨询
真实产品拍摄,图片上的产品所见即所得
关于信号方向正反问题:当顺时针旋转时AC先通为正向,BC先通问反向
出现正反问题时,在编码器不改的情况下可以通过修改程序代码解决,也可以通过改变定位信号脚解决,小量紧急解决方案就是通过飞线AB脚交叉焊线解决。最好先跟客服确认信号方向问题。
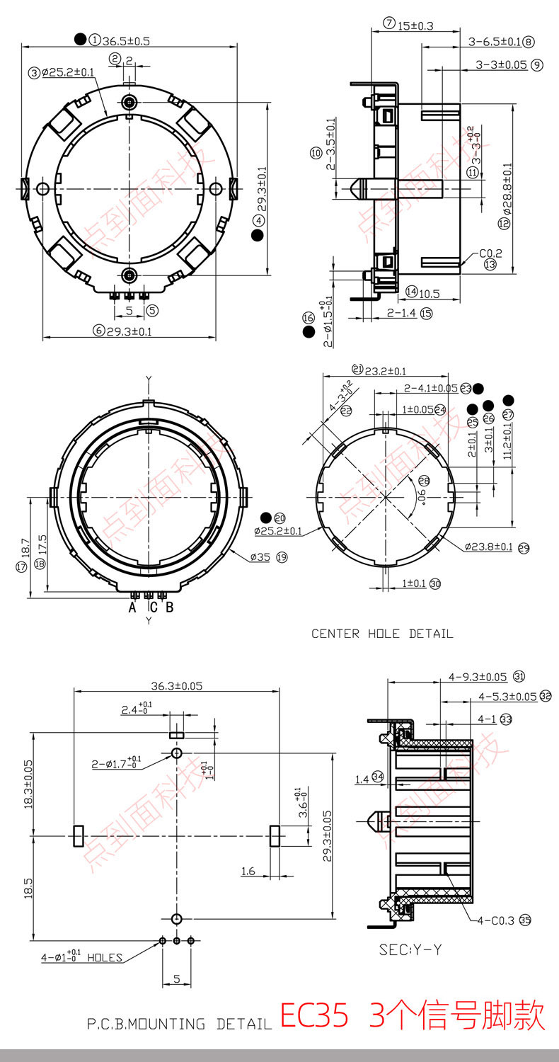
EC35三个信号脚款(15脉冲30定位 正向)出货多大量使用
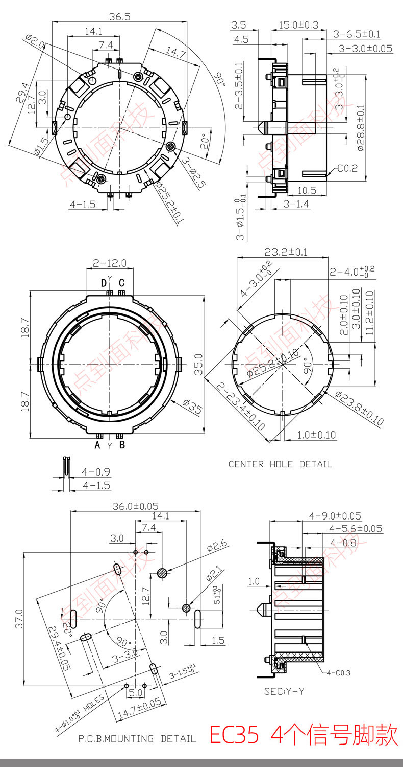
EC35四个信号脚款(10脉冲30定位 正向)特殊使用少
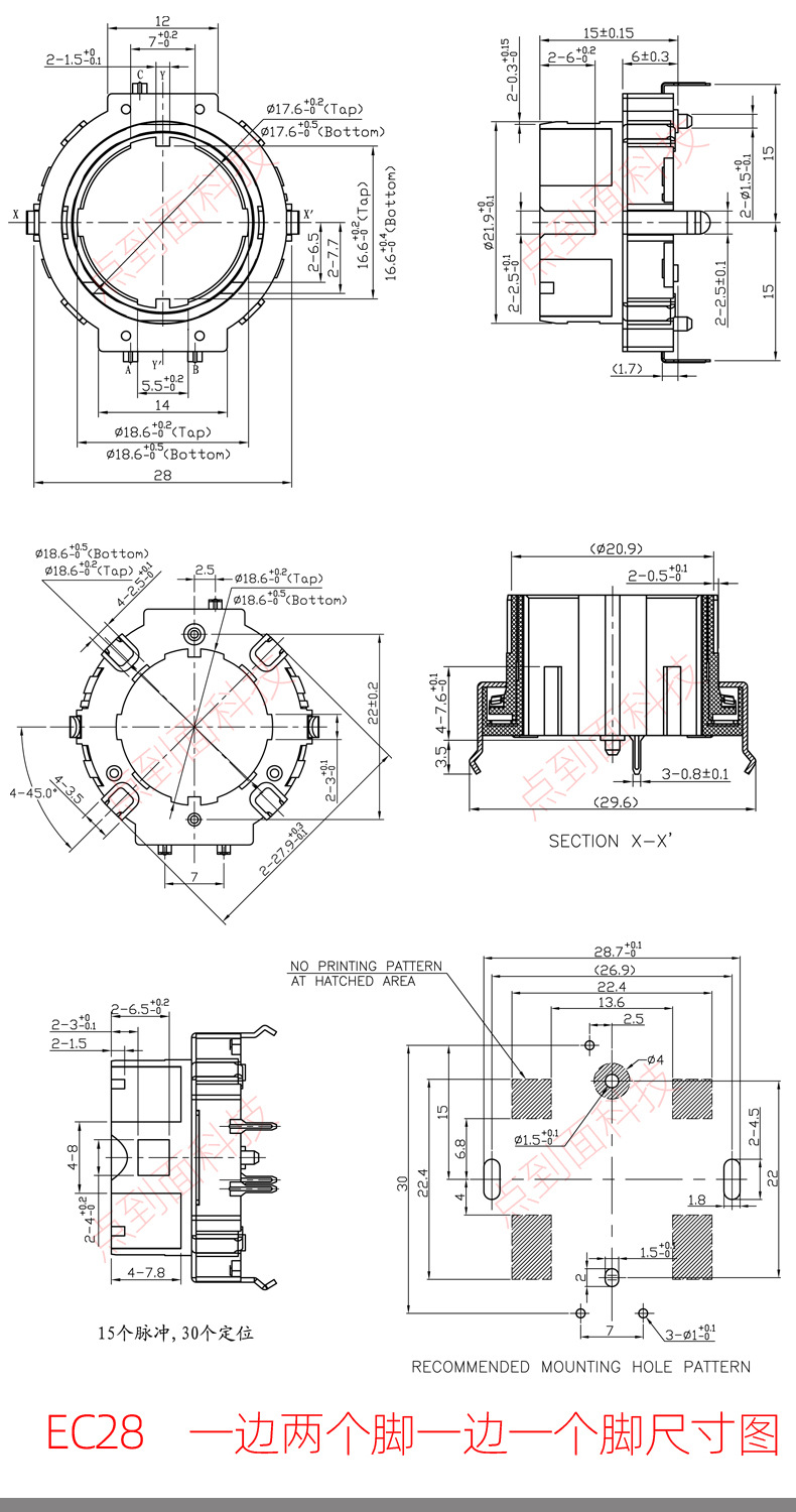
EC28信号脚在一边款(15脉冲30定位 正向)这款内壁有多个版本最好跟客服确认
EC28信号脚在一边款(15脉冲30定位 正向)常规款
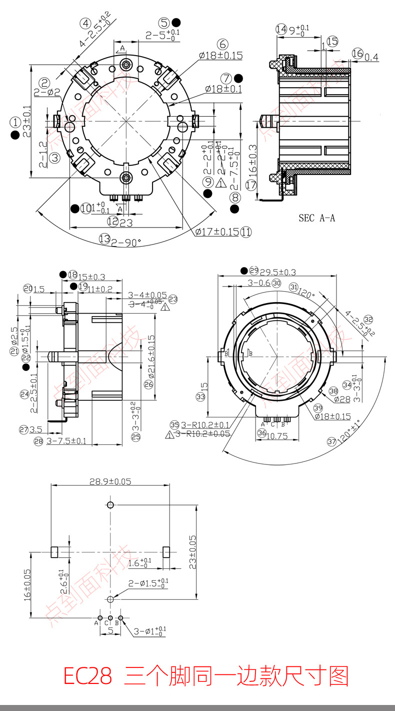
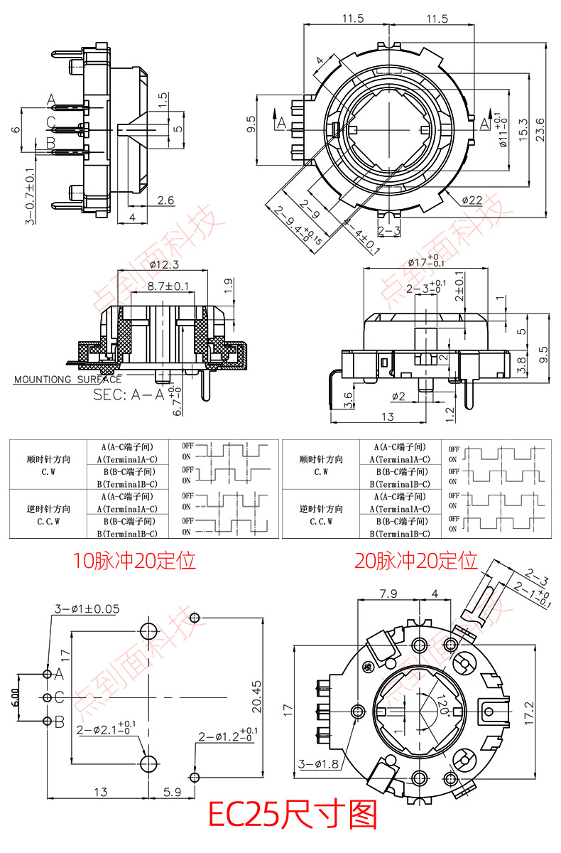
EC25两种信号10脉冲20定位跟20脉冲20定位(都为反向信号)常规款
旋转扭力:以上现货为常规扭力,对扭力有要求请联系客服。
技术支持:联系客服转技术支持张工
厂家直销,量大价优,接受批量下单特殊要求定制,具体请详询客服
其它特殊要求的联系客服,公司为编码器研发、生产工厂能满足客人的不同需求。
满500PCS部分地区支持包邮

























